Многоканальный бесплатный телефон
Регион: г. Нижневартовск
Мы на связи с 8:00 до 23:00 без выходных
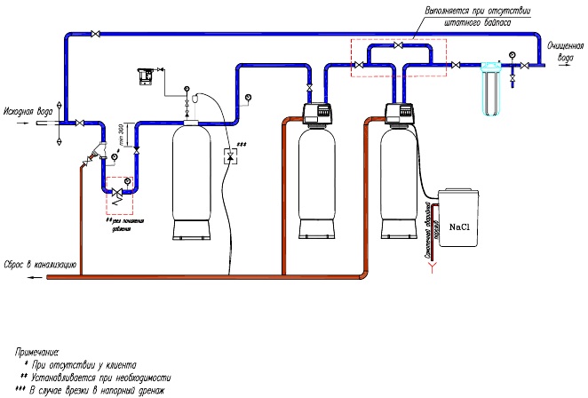
Напорная аэрация

Заказать анализ воды
Оставьте сови контакнтные данные и наш менеджер перезвонит в ближайшее время
Подбор фильтров онлайн
Для полного и профессионального подбора оборудования рекомендуем направить анализ воды к нам на почту aqvastroi@mail.ru.
Чистая вода легко и просто всего за 1 день вместе с АКВАСТРОЙ-В
Чистая вода легко и просто всего за 1 день вместе с АКВАСТРОЙ-В




















